41. 단상 변압기의 1차 전압 E1, 1차 저항 r1, 2차 저항 r2, 1차 누설리액턴스 x1, 2차 누설 리액턴스 x2, 권수비 a라 하면 2차 권선을 단락했을 때의 1차 단락 전류는?
1차 단락 전류를 계산해야 하므로 2차측 임피던스를 1차측으로 환산해야 합니다. 먼저 1차측 임피던스 Z1은,

이고, 권수비가 a이므로 2차측을 1차측으로 환산한 Z2'은,

따라서 2차 권선을 단락했을 때의 1차 단락 전류 I1s는,

로 구할 수 있습니다.
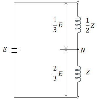
42. 그림과 같이 180º 도통형 인버터의 상태일 때 u상과 v상의 상전압 및 u-v선간전압은?

위 그림의 등가회로는 다음과 같습니다.

위의 두 임피던스가 병렬이므로 둘의 합성 임피던스는 1/2Z가 될 것이고, 각각의 임피던스에 걸리는 전압은 다음과 같습니다.

따라서 u상의 전압은 1/3E가 되고, v상의 전압은 2/3E이지만 전압의 방향이 반대이므로 -2/3E가 됩니다. 그리고 u-v 선간전압은 인가된 전압과 같으므로 E가 됩니다.

49. 권선형 유도전동기 2대를 직렬종속으로 운전하는 경우 그 동기속도는 어떤 전동기의 속도와 같은가?
종속 접속법에는 직렬 종속법, 차동 종속법, 병렬 종속법이 있습니다. 그리고 각각의 경우 동기속도는 다음과 같습니다.
- 직렬 종속법

- 차동 종속법

- 병렬 종속법

따라서 2대를 직렬종속으로 운전하는 경우라면 두 전동기의 극수의 합과 같은 극수를 갖는 전동기의 속도와 같습니다.
50. 정격전압 100[V], 정격전류 50[A]인 분권발전기의 유기기전력은?(전기자 저항은 0.2[Ω], 계자 전류 및 전기자 반작용은 무시)
주어진 조건을 이용해 분권발전기의 회로를 그리면 다음과 같습니다.

계자 전류를 무시하므로 If=0이고, 따라서 전기자 전류는,

따라서 구하고자 하는 유기기전력은,

52. 전체 도체수는 100, 단중 중권이며 자극수는 4, 자속수는 극당 0.628[Wb]인 직류 분권전동기가 있다. 이 전동기의 부하시 전기자에 5[A]가 흐르고 있었다면 이때의 토크는?
먼저 단중 중권이므로 a=p=4입니다. 그리고 직류 전동기의 토크는 다음과 같습니다.

따라서 각각을 대입하면,

'전기 > 전기기사 문제풀이' 카테고리의 다른 글
| [전기기사] 2015년 3회. 회로이론 및 제어공학_61~80 (0) | 2020.09.27 |
|---|---|
| [전기기사] 2015년 3회. 전력공학_21~40 (0) | 2020.09.27 |
| [전기기사] 2015년 3회. 전기자기_01~20 (0) | 2020.09.25 |
| [전기기사] 2015년 2회. 회로이론 및 제어공학_61~80 (0) | 2020.09.25 |
| [전기기사] 2015년 2회. 전기기기_41~60 (0) | 2020.09.24 |